閃亂神樂2 忍術大師   自動卡安裝說明


 

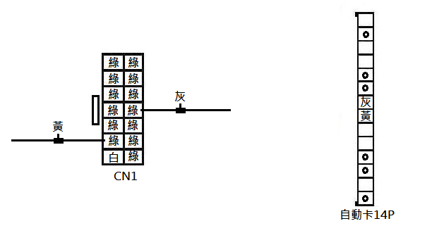
1. 轉接面板  CN7 6P白座 CN6 9P白座 CN5 3P白座 CN2 2P藍座 CN1 2X7P白座

 

 

 

 

 

 

   

2. 轉接面板搖桿端 3P

 

 

 

 

 

3.  並開始燈

 

    並面板左側IO板 CN3 10P白座 , CN2 4P白座